PrecisionDraft II

Architectural drafting table with parallel straightedge, overhead lamp, and green surface

Inspiration

Drawing beauty from professional projects. Inspired by Inheritance Machining, the video series that sparked my excitement for manufacturing.

Hand-drawn sketches of a protractor, measuring instruments, and a threaded knob.
Sketch of a mechanical gear system with intersecting circles and lines.
Sketch of a circular object with a notch, possibly a wheel or pulley
Sketch of a mechanical swivel ring assembly with annotations detailing design ideas, including bolt placement and bent tubing.
Hand-drawn sketch of a drawing head assembly with labeled components, including a circular disc and cylindrical posts.

Sketches and Prototypes

Sketching is an important part of my design process. Each part was designed and iterated upon on paper before prototyping with cardboard, then modeling in SolidWorks and re-designing for manufacturing.

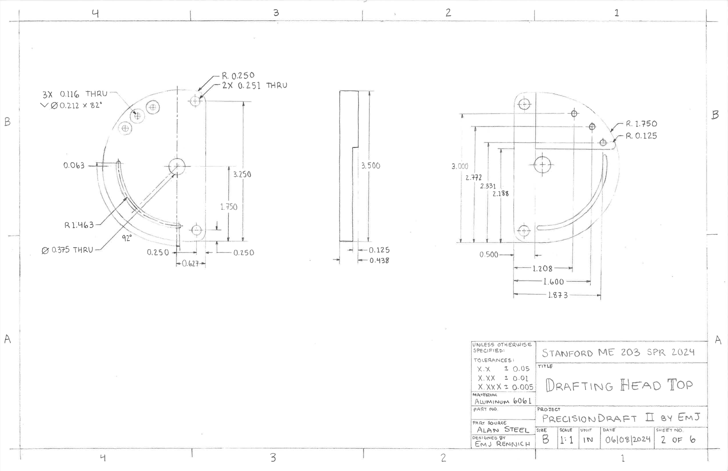
Technical drawing of a part labeled 'Drafting Head Top' with detailed measurements and dimensions. The drawing includes side and top views with drilled holes, arcs, and various radii. Specifications note the material as Aluminum 6061 and it is part of a project named 'PrecisionDraft II' designed by EMJ Rennich for Stanford ME 203 SPR 2024.
Technical drawing of a desk mount with dimensions and annotations, detailing various views including top, side, and end views. Includes measurements in inches and title block information, such as the project name 'Desk Mount' and design specifications.
Technical drawing of a swivel square, showing dimensions, tolerance specifications, material as Aluminum 6061, and design details by EMJ Rennich for Stanford ME 203 Spring 2024.

Drafting

While drafting software is extremely useful and convenient, drafting by hand is a powerful reminder of how beautiful engineering can be.

Technical drawing of a drafting head base with dimensions and specifications. The drawing includes top, right, and bottom views, with specific measurements and tolerances noted. The material is specified as Aluminum 6061. Title block contains information such as project name 'PrecisionDraft II,' scale, and date.
Technical drawing of a scale mount with dimensions and specifications, including tolerances, material (Aluminum 6061), and project details. Features multiple views and section B-B depiction. Sheet 3 of 6 from "PrecisionDraft II" project by EMJ Rennich, dated 01/08/2024.
Technical drawing of a locking knob with dimensions and specifications, including a 10-32 thread, 1-inch diameter, pitch 0.8 raised diamond knurl, and 4x 45-degree chamfer. Material specified as aluminum 6061.